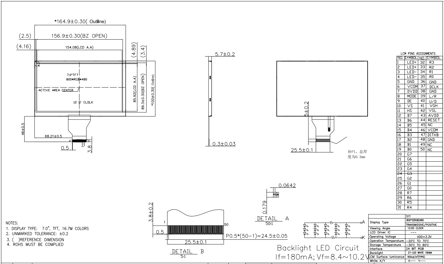
BR070WIE2757-A4 V.1 Introduction
This remarkable LCD module is based on an a-Si TFT active matrix, driving a 7.0-inch diagonal display. The resolution of 800x3(RGB)x480 ensures vibrant and crisp images, which enhance the overall visual experience. The module operates in a Normally White, Transmissive mode, providing superior illumination and contrast. Anti-glare surface treatment has been applied to reduce any potential screen glare, thereby consistently enabling a comfortable viewing experience across various light conditions.
The color presentation is improved by an RGB stripe arrangement, creating a wide and dynamic range of colors. The module interfaces digitally for robust signal and data transmission. However, based on the provided specifications, this particular model does not include a touchscreen feature.
Additionally, it's worth noting that this LCD module also features high brightness, ensuring clear and bright display even in well-lit environments.<
Correlation Parameter


